Technical Specifications
| Model | Input dimension (Motor insertion end) | Output d1mens1on (Client installation end) | Length | |||||||
|---|---|---|---|---|---|---|---|---|---|---|
| Shaft | Boss diameter | Mounting hole distance | Mounting hole size | Shaft Diameter | Boss diameter | Mounting Hole Distance | Mounting Hole Size | L1 | L2 | |
|
42SPX |
8 |
30 |
P.C.D.46 |
M4 |
10 |
35 |
P.C.D.50 |
3.5 |
59 |
80 |
|
60SPX |
14 |
50 |
P.C.D.70 |
M4 |
14 |
50 |
P.C.D.70 |
5.5 |
77 |
95 |
|
3000 90SPX |
19 |
70 |
P.C.D.90 |
MS |
20 |
80 |
P.C.D.100 |
6.5 |
110 |
130 |
|
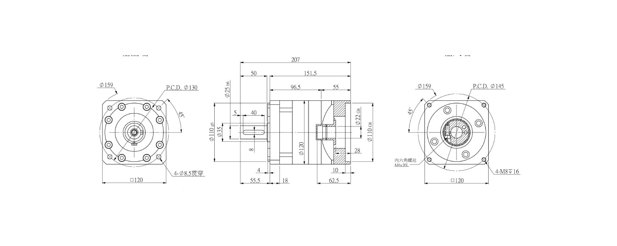
120SPX |
22 |
110 |
P.C.D 145 |
M8 |
25 |
110 |
P.C.D.130 |
8.5 |
152 |
207 |
The Size of 42SPX Series (mm)
The Size of 60SPX Series (mm)
The Size of 90SPX Series (mm)
The Size of 120SPX Series (mm)